Màquina formadora de rotlles de safata de cables d'acer de preu competitiu
Descripció breu:
Informació bàsica
Garantia:12 mesos
Hora d'entrega:30 dies
Després del servei:Enginyers disponibles per al servei de maquinària a l'estranger
Velocitat de formació:25-30 m/min (excepte la perforació)
Mode de tall:Hidràulica
Material de la fulla de tall:Cr12
Tipus:Estructura d'acer i màquina de corretges
Sistema de control:PLC
voltatge:380V/3Phase/50Hz o a la vostra sol·licitud
Manera de conduir:Cadena o caixa d'engranatges
Informació addicional
Embalatge:NU
Productivitat:200 conjunts/any
Marca:YY
Transport:oceà
Lloc d'origen:Hebei
Capacitat de subministrament:200 conjunts/any
Certificat:CE/ISO9001
Descripció del producte
Preu competitiuAcerMàquina formadora de rotlles de safata de cables
En el cablejat elèctric dels edificis, s'utilitza un sistema de safates de cables per suportar els cables elèctrics aïllats utilitzats per a la distribució d'energia i la comunicació.Les safates de cables s'utilitzen com a alternativa als sistemes de cablejat obert o conductes elèctrics, i s'utilitzen habitualment per a la gestió de cables en la construcció comercial i industrial.Són especialment útils en situacions en què es preveuen canvis en un sistema de cablejat, ja que es poden instal·lar nous cables col·locant-los a la safata, en lloc de tirar-los per una canonada.Per a la safata de cables zhongtuo, la màquina formadora de rotlles és una mena de màquina per fabricar safates de cables per principi de formació de rotlles.
Flux de treball:Desbobinador - Guia d'alimentació - Sistema d'alimentació servo - Punxonat hidràulic - Màquina formadora de rotlles principal - Sistema de control PLC - Tall hidràulic - Taula de sortida
Paràmetres tècnics:
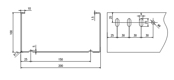
Material a joc Galvanitzat o PPGI, Aluminibobines Interval de gruix del material 0,8 mm-2,0 mm Velocitat de formació 20-30 m/min (excepte el temps de perforació i tall) Potència de l'estació hidràulica 22 kW Rodets 20 (segons dibuixos i mida) Material de l'eix i diàmetre 80 mm, el material és de 40 Cr Material del cos Acer 400H Panell de paret 20 mm, acer Q195 (tot amb polvorització electrostàtica) Sistema de control PLC Material de corrons Acer 45 # amb cromat o Cr12 (podeu triar el material segons la vostra sol·licitud) Material de la fulla Motlle d'acer Cr12 amb tractament apagat 58-62 ℃ Pes total Unes 5 tones
Imatges de la màquina:
Informació de la companyia:
YINGYEE MAQUINÀRIA I TECNOLOGIA SERVEI CO.,LTD
YINGYEE és el fabricant especialitzat en diverses maquinàries de conformació en fred i línies de producció automàtiques.Tenim un equip meravellós amb alta tecnologia i vendes excel·lents, que ofereixen productes professionals i serveis relacionats.Vam prestar atenció a la quantitat i al servei posterior, vam rebre un gran comentari i honorem formalment els clients.Tenim un gran equip per al servei posterior.Hem enviat diversos pedaços després de l'equip de servei a l'estranger per acabar la instal·lació i l'ajust dels productes. Els nostres productes ja es van vendre a més de 20 països.També inclou EUA i Alemanya.Producte principal:
- Màquina formadora de sostres
- Màquina de formació de rotlles de portes de persiana enrotllable
- Màquina formadora de rodets de correa C i Z
- Màquina formadora de rotlles de baixada
- Màquina de formació de rotlles de quilla lleugera
- Màquina de cisalla
- Desbobinador hidràulic
- Màquina de doblegar
- Màquina de tallar
PMF:
Formació i instal·lació:
1. Oferim servei d'instal·lació local amb un càrrec pagat i raonable.
2. La prova QT és benvinguda i professional.
3. manual i guia d'ús és opcional si no hi ha visita ni instal·lació.
Certificació i servei posterior:
1. Coincideix amb l'estàndard tecnològic, la certificació de producció ISO
2. Certificació CE
3. 12 mesos de garantia des del lliurament.Pissarra.
El nostre avantatge:
1. Termini de lliurament curt
2. Comunicació eficaç
3. Interfície personalitzada.
Esteu buscant un fabricant i proveïdor ideal de màquines formadores de rotllos de nou disseny?Tenim una àmplia selecció a preus fantàstics per ajudar-te a ser creatiu.Totes les màquines de formació automàtica de safates de cables tenen qualitat garantida.Som la fàbrica d'origen de la XinaMàquina formadora de rotlles de safata de cables d'acer.Si teniu alguna pregunta, no dubteu a posar-vos en contacte amb nosaltres.
Categories de producte: màquina de formació de rotlles de safata de cables







